S64DB-12-135
  • S64DB-12-135 S64DB-12-135

S64DB-12-135

نموذج:S64DB-12-135

الأسطوانات الهيدروليكية HCIC S64DB-12-135: خيارات ممتازة وقابلة للتخصيص للمشترين الصناعيين العالميين. مواصفات موثوقة وأداء ثابت وصفقات المصنع مباشرة - مثالية للبناء والتعدين والمشتريات الزراعية.

  • Number Stages:

    4
  • Nominal Stage OD:

    6
  • Stroke:

    135
  • Closed:

    47.19
  • Open:

    182.19
  • Pin:

    1.75
  • Width:

    8

إرسال استفسار

وصف المنتج

لمشتري المعدات الصناعية. هذه هي معلومات الاسطوانة HCIC S64DB-12-135. المواصفات الأساسية وجودة البناء ومكان الاستخدام والخدمات المخصصة. كل شيء عملي. لا زغب.


customizable hydraulic cylinders


parker multi-stage hydraulic cylinders


I. المواصفات الأساسية: تناسب معظم وظائف التثبيت


HCIC S64DB-12-135 = التصميم القياسي. يعمل على معظم الآلات الصناعية. نقل الطاقة والتركيب - لا توجد مشاكل.


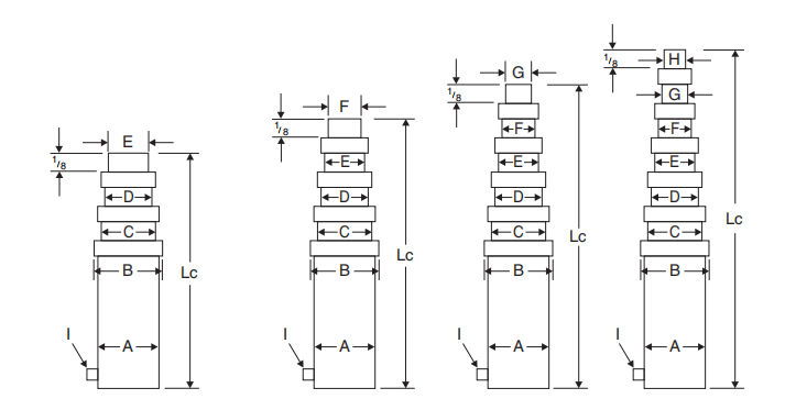
• الأبعاد الهيكلية:القطر الخارجي 6. 4 مراحل. السكتة الدماغية 135. الطول المغلق 47.19. طول ممتد 182.19. مدمج. يناسب فتحات تركيب الآلة القياسية.

• توافق التركيب:مقاسات الدبوس 1.75 / 1.5. يطابق العرض 8 / 2.69. اللحام والمفصلة - كلاهما يعمل. لا تحتاج معظم الأجهزة إلى أي تعديلات.

• الأداء الأساسي:الختم الصناعي القياسي. يعمل دون توقف في الظروف العادية. يفي بمعايير الضغط الهيدروليكي المشتركة.


heavy-duty hydraulic cylinders


ثانيا. جودة البناء: موثوقة، لا أعطال


نحن نتحقق من كل خطوة. من المواد الخام إلى الشحن. لا توجد اختصارات. فقط جودة متسقة.


(1). مواد خام:البرميل = 45# أنبوب فولاذي غير ملحوم. قضيب المكبس = مروي + مطلي بالكروم. يقاوم التآكل، ويقاوم الصدأ. جيد للاستخدام الصناعي المنتظم.

(2). المعالجة والتجميع:الجدار الداخلي للأسطوانة = شحذ ناعم. يتحرك المكبس دون أن يلتصق. الأختام الصناعية = تسرب أقل للزيت.

(3). فحص الجودة:كل اسطوانة تمر بثلاثة اختبارات. اختبار الضغط. اختبار السكتة الدماغية. اختبار الختم. نقوم بحفظ جميع بيانات الاختبار. تمرير فقط = شحن للخارج.

dump hydraulic cylinder

ثالثا. سيناريوهات التطبيق: يعمل لجميع أنواع العتاد


تناسب أسطوانات S64DB العديد من المجالات الصناعية. أجزاء الطاقة الصلبة للآلات.


• آلات البناء:حفارات، لوادر. يناسب محركات الازدهار والدلو. مقابض رفع، تلسكوب، تدوير. جيد لأعمال البناء اليومية.

• المعادن والتعدين:تعديلات الفرن، التحكم في تغذية الكسارة. يعمل في بيئات صعبة. يلبي المتطلبات الميدانية الأساسية.

• الآلات الزراعية:آلات البذر والحصادات. يضبط عمق البذر، ويرفع الرؤوس. يجعل الزراعة أكثر كفاءة.

• المعدات الخاصة:قرص المعلمات. يناسب المصاعد الجوية، وضاغطات القمامة. دعم الطاقة الأساسي – تم.


رابعا.الأسئلة الشائعة

إجابات عملية لأسئلتك حول الأسطوانة الهيدروليكية HCIC S64DB-12-135، بما في ذلك المواصفات والتوافق والجودة والتخصيص.

📏 المواصفات الأساسية والتوافق

س: هل تناسب أسطوانة HCIC S64DB-12-135 الآلة الصناعية القياسية الخاصة بي دون تعديلات؟

ج: بالتأكيد. إن HCIC S64DB-12-135 عبارة عن أسطوانة هيدروليكية ذات تصميم قياسي بأبعاد هيكلية مدمجة (القطر الخارجي 6، الطول المغلق 47.19، الطول الممتد 182.19) وأحجام الدبوس المتوافقة (1.75 / 1.5) والعرض (8 / 2.69). إنها تناسب معظم فتحات تركيب الماكينات القياسية، وأعمال تركيب اللحام والمفصلات - معظم الآلات الصناعية لا تحتاج إلى أي تعديلات لتثبيتها لنقل الطاقة أو المهام الأخرى.

س: ما هي المواصفات الهيكلية والأداء الرئيسية لأسطوانة HCIC S64DB-12-135؟

ج: يحتوي HCIC S64DB-12-135 على 4 مراحل، وسكتة دماغية 135 بوصة، وطول مغلق 47.19 بوصة، وطول ممتد 182.19 بوصة. إنه يستخدم موانع التسرب الصناعية القياسية، ويعمل بدون توقف في الظروف الصناعية العادية، ويلبي معايير الضغط الهيدروليكي الشائعة. تصميمها المدمج يجعلها مثالية لمساحات التركيب الضيقة في معظم الآلات الصناعية.

س: ما هي خيارات التركيب المتاحة لأسطوانة HCIC S64DB-12-135؟

ج: تدعم هذه الأسطوانة طريقتين شائعتين للتركيب الصناعي: اللحام والمفصلات. يأتي مزودًا بأحجام دبوس متوافقة (1.75 و1.5) ويتوافق مع عرض الماكينة القياسي (8 و2.69)، لذا يمكنك تثبيته باستخدام الطريقة التي تناسب أجهزتك على أفضل وجه - لا حاجة إلى محولات تثبيت مخصصة لمعظم الأجهزة.

س: هل يمكن لأسطوانة HCIC S64DB-12-135 التعامل مع الاستخدام الصناعي المستمر بدون توقف؟

ج: نعم. لقد تم تصميمه باستخدام موانع تسرب صناعية قياسية ويلبي معايير الضغط الهيدروليكي الشائعة، مما يسمح له بالعمل دون توقف في الظروف الصناعية العادية. يضمن جدار الأسطوانة الداخلي المصقول تحرك المكبس دون أن يلتصق، والمواد عالية الجودة مقاومة للتآكل - مثالية للاستخدام اليومي المستمر في آلات البناء أو الزراعة أو المعادن.

⚙️ بناء سيناريوهات الجودة والتطبيق

س: ما هي المواد المستخدمة لصنع أسطوانة HCIC S64DB-12-135، وما مدى متانتها؟

ج: أسطوانة الأسطوانة مصنوعة من أنبوب فولاذي غير ملحوم 45#، وقضيب المكبس مروي ومطلي بالكروم - هذا السرد يقاوم التآكل والصدأ، وهو مثالي للاستخدام الصناعي المنتظم. تم شحذ الجدار الداخلي بسلاسة لمنع التصاق المكبس، كما تعمل موانع التسرب الصناعية على تقليل تسرب الزيت - وكل ذلك يضيف إلى أداء موثوق وطويل الأمد دون أي أعطال غير متوقعة.

س: ما هي اختبارات الجودة التي تمر بها أسطوانة HCIC S64DB-12-135 قبل الشحن؟

ج: تمر كل أسطوانة HCIC S64DB-12-135 بثلاثة اختبارات صارمة قبل أن نقوم بشحنها: اختبار الضغط (لتلبية المعايير الهيدروليكية)، واختبار السكتة الدماغية (لضمان الحركة السلسة)، واختبار الختم (لمنع تسرب الزيت). نحن نحفظ جميع بيانات الاختبار للرجوع إليها في المستقبل، ولا نقوم أبدًا بشحن أسطوانة لا تتجاوز الثلاثة - لا توجد اختصارات، فقط جودة متسقة.

س: ما هي المجالات الصناعية والآلات التي تناسبها أسطوانة HCIC S64DB-12-135؟

ج: هذه الاسطوانة متعددة الاستخدامات وتناسب العديد من المجالات الصناعية. إنه يعمل مع آلات البناء (الحفارات، والرافعات لأذرع الرافعة/محركات الدلو)، والمعدات المعدنية ومعدات التعدين (تعديلات الفرن، والتحكم في تغذية الكسارة)، والآلات الزراعية (البذارات، والحصادات لتعديل عمق البذر)، والمعدات الخاصة (المصاعد الهوائية، وضاغطات القمامة) - إنه جزء طاقة صلب لجميع أنواع المعدات.

س: هل يمكن لأسطوانة HCIC S64DB-12-135 أن تعمل بشكل جيد في البيئات التعدينية أو المعدنية الصعبة؟

ج: نعم. يقاوم قضيب المكبس المروي والمطلي بالكروم الصدأ والتآكل، كما أن البرميل الفولاذي غير الملحوم 45# قوي بما يكفي للتعامل مع الظروف القاسية لمواقع التعدين والمعادن. لقد تم تصميمه لضبط الفرن والتحكم في تغذية الكسارة، كما أنه يلبي المتطلبات الميدانية الأساسية - فلا داعي للقلق بشأن فشله عندما تكون في أمس الحاجة إليه.

🛡️ مزايا التخصيص والتعاون

س: هل يمكنني تخصيص أسطوانة HCIC S64DB-12-135 لتلبية احتياجاتي الخاصة من المعدات؟

ج: بالتأكيد. إذا لم يكن معيار HCIC S64DB-12-135 مناسبًا تمامًا لجهازك، فإننا نقدم حلولاً هيدروليكية مخصصة. يمكننا تعديل الهيكل والسكتة الدماغية وأسلوب التثبيت والأختام بناءً على احتياجاتك الخاصة - ما عليك سوى العمل بشكل فردي مع فريقنا الفني للتأكد من بيئة جهازك واحتياجاته من الطاقة ومساحة التثبيت، وسنقوم بإنشاء حل مخصص لك.

س: ما هي عملية الحصول على نسخة مخصصة من أسطوانة HCIC S64DB-12-135؟

ج: العملية المخصصة بسيطة: 1) أولاً، يقوم فريقنا الفني بالدردشة معك وجهًا لوجه لتأكيد احتياجاتك وإنشاء مستند احتياجات واضح. 2) ثم نقوم بتعديل مواصفات الاسطوانة ونرسل لك الرسومات للتأكيد. 3) بمجرد الموافقة، نقوم بإنتاجها (من يأتي أولاً يخدم أولاً) ونشحنها عبر طريقتك المفضلة (الشحن البحري/الجوي للعملاء العالميين). 4) وأخيرا، نحن نقدم دعم ما بعد البيع للتركيب والاستخدام.

س: ما هي المزايا التي أحصل عليها عند طلب أسطوانة HCIC S64DB-12-135 مباشرة من المصنع الخاص بك؟

ج: الطلب مباشرة من مصنع HCIC الخاص بنا له فائدتان كبيرتان: أولاً، فائدة السعر - لا يوجد وسطاء، لذلك يمكنك توفير التكاليف، وتحصل الطلبات بالجملة على خصومات أفضل. ثانيًا، دعم التجارة الخارجية - نحن نقدم مستندات متعددة اللغات، ونصائح حول الرمز الجمركي، ونساعد في أوراق الإقرار، بحيث يكون الشراء عبر الحدود سلسًا. كما نقدم أيضًا ضمانًا قياسيًا وإصلاحًا/قطع غيار مجانية للأضرار غير البشرية.




V. الخدمات المخصصة: اصنع الأسطوانات على طريقتك


احتياجات خاصة؟ لدينا عملية بسيطة. حلول هيدروليكية مخصصة لك.


(1). يحتاج إلى حديث:يقوم فريقنا الفني بالدردشة وجهًا لوجه. تأكد من بيئة جهازك واحتياجاته من الطاقة ومساحة التثبيت. أعطيك وثيقة احتياجات واضحة.

(2). مرحلة التصميم:ضبط الهيكل، والسكتة الدماغية، والتركيب، والأختام. بناء على احتياجاتك. نرسل لك الرسومات للتأكيد.

(3). الإنتاج والتسليم:الطلبات المخصصة = من يأتي أولاً يخدم أولاً. النماذج المخصصة العادية = المهلة القياسية. الشحن البحري/الجوي للعملاء العالميين.

(4). دعم ما بعد البيع:الضمان القياسي. الأضرار غير البشرية = إصلاح/قطع مجانية. الخط الساخن للتكنولوجيا = إجابات على أسئلة التثبيت/الاستخدام في أي وقت.


double-acting telescopic hydraulic cylinders

سادسا. مزايا التعاون: صفقات عالمية سهلة


HCIC = مصنع أسطوانات هيدروليكية محترف. من الجيد العمل مع العملاء العالميين.


• فائدة السعر:المصنع مباشرة. لا وسطاء. توفير التكاليف. الطلبات بالجملة = خصومات أفضل.

• دعم التجارة الخارجية:مستندات متعددة اللغات. نصائح حول الرمز الجمركي. المساعدة في أوراق الإقرار. الشراء عبر الحدود = سلس.


سابعا.اتصل بنا:

HCIC هي شركة مصنعة هيدروليكية محترفة، تعمل بشكل رئيسي في تصميم النظام الهيدروليكي وتصنيعه وتركيبه وتحويله وتشغيله ومبيعات العلامات التجارية للمكونات الهيدروليكية والخدمات الفنية. نأمل أن يساعد منتجنا في توفير التكلفة وتحسين الجودة.لمزيد من التفاصيل، يرجى مراسلتنا عبر البريد الإلكتروني "davidsong@mail.huachen.cc" أو البحث في Google عن "HCIC Hydraulic"


الكلمات الساخنة: S64DB-12-135، المصنعين، الموردين، بالجملة، حسب الطلب، في المخزون، الشاحنة المرفوضة، الصين، محراث الثلج

الفئة ذات الصلة

إرسال استفسار

لا تتردد في تقديم استفسارك في النموذج أدناه. سوف نقوم بالرد عليك خلال 24 ساعة.
X
نحن نستخدم ملفات تعريف الارتباط لنقدم لك تجربة تصفح أفضل، وتحليل حركة مرور الموقع، وتخصيص المحتوى. باستخدام هذا الموقع، فإنك توافق على استخدامنا لملفات تعريف الارتباط. سياسة الخصوصية
يرفض يقبل